氣液增壓缸氣管電磁閥怎么接?怎么使用動作?
氣液增壓缸氣管電磁閥怎么接?怎么使用動作?玖容廠家的11款氣液增壓缸產品的氣管電磁閥接法及使用動作順序分別如下,僅供參考使用,操作最好由專業技術人員進行:
|
一、JRA標準型氣液增壓缸氣管電磁閥接法:
|
JRA標準型氣液增壓缸使用動作順序說明:
1、當電磁閥DT1通電,氣壓作用在儲油筒液壓油表面,氣缸段總行程開始向下作位移; 2、活塞桿位移遇到阻力,DT1保持,此時DT2通電,增壓段總成開始作位移; 3、根據加工工件保壓需要,DT2斷電,此時增壓段總成復位,增壓缸卸壓; 4、DT1斷電,氣缸段總成復位,液壓油回位到儲油筒,此時一個動作循環完成。
|
|
二、JRAA標準型水平安裝氣液增壓缸氣管電磁閥接法:
|
JRAA標準型水平安裝氣液增壓缸使用動作順序說明:
1、當電磁閥DT1通電,氣壓作用在儲油筒液壓油表面,氣缸段總行程開始向下作位移; 2、活塞桿位移遇到阻力,DT1保持,此時DT2通電,增壓段總成開始作位移; 3、根據加工工件保壓需要,DT2斷電,此時增壓段總成復位,增壓缸卸壓; 4、DT1斷電,氣缸段總成復位,液壓油回位到儲油筒,此時一個動作循環完成。 |
|
三、JRB力行程可調氣液增壓缸氣管電磁閥接法:
|
JRB力行程可調氣液增壓缸使用動作順序說明:
1、當電磁閥DT1通電,氣壓作用在儲油筒液壓油表面,氣缸段總行程開始向下作位移; 2、活塞桿位移遇到阻力,DT1保持,此時DT2通電,增壓段總成開始作位移; 3、根據加工工件保壓需要,DT2斷電,此時增壓段總成復位,增壓缸卸壓; 4、DT1斷電,氣缸段總成復位,液壓油回位到儲油筒,此時一個動作循環完成。 |
|
四、JRC總行程可調氣液增壓缸氣管電磁閥接法:
|
JRC總行程可調氣液增壓缸使用動作順序說明:
1、當電磁閥DT1通電,氣壓作用在儲油筒液壓油表面,氣缸段總行程開始向下作位移; 2、活塞桿位移遇到阻力,DT1保持,此時DT2通電,增壓段總成開始作位移; 3、根據加工工件保壓需要,DT2斷電,此時增壓段總成復位,增壓缸卸壓; 4、DT1斷電,氣缸段總成復位,液壓油回位到儲油筒,此時一個動作循環完成。 |
|
五、JRD總行程及力行程可調氣液增壓缸氣管電磁閥接法:
|
JRD總行程及力行程可調氣液增壓缸使用動作順序說明:
1、當電磁閥DT1通電,氣壓作用在儲油筒液壓油表面,氣缸段總行程開始向下作位移; 2、活塞桿位移遇到阻力,DT1保持,此時DT2通電,增壓段總成開始作位移; 3、根據加工工件保壓需要,DT2斷電,此時增壓段總成復位,增壓缸卸壓; 4、DT1斷電,氣缸段總成復位,液壓油回位到儲油筒,此時一個動作循環完成。 |
|
六、JRE直壓式氣液增壓缸氣管電磁閥接法:
|
JRE直壓式氣液增壓缸使用動作順序說明: 1、增壓缸按照上面的氣路圖連接好后,打開氣源,增壓缸處于回位狀態; 2、電磁閥DT1通電,切換氣路使氣壓作用在氣缸活塞開始位移,直接開始增壓行程; 3、根據加工工件保壓需要,調節保壓時間,電磁閥DT1斷電,再次切換氣路,使得氣缸和油缸同時回位到初始狀態,此時一個動作循環完成。 |
|
七、JRF快速單列式氣液增壓缸氣管電磁閥接法:
|
JRF快速單列式氣液增壓缸使用動作順序說明:
1、當電磁閥DT1通電,氣壓作用在儲油筒液壓油表面,氣缸段總行程開始向下作位移; 2、活塞桿位移遇到阻力,DT1保持,此時DT2通電,增壓段總成開始作位移; 3、根據加工工件保壓需要,DT2斷電,此時增壓段總成復位,增壓缸卸壓; 4、DT1斷電,氣缸段總成復位,液壓油回位到儲油筒,此時一個動作循環完成。 |
|
八、JRG復合式氣液增壓缸氣管電磁閥接法:
|
JRG復合式氣液增壓缸使用動作順序說明:
1、當電磁閥DT1通電,氣壓作用在儲油筒液壓油表面,氣缸段總行程開始向下作位移; 2、活塞桿位移遇到阻力,DT1保持,此時DT2通電,增壓段總成開始作位移; 3、根據加工工件保壓需要,DT2斷電,此時增壓段總成復位,增壓缸卸壓; 4、DT1斷電,氣缸段總成復位,液壓油回位到儲油筒,此時一個動作循環完成。 |
|
九、JRM快速型氣液增壓缸氣管電磁閥接法:
|
JRM快速型氣液增壓缸使用動作順序說明:
1、當電磁閥DT1通電,氣壓作用在儲油筒液壓油表面,氣缸段總行程開始向下作位移; 2、活塞桿位移遇到阻力,DT1保持,此時DT2通電,增壓段總成開始作位移; 3、根據加工工件保壓需要,DT2斷電,此時增壓段總成復位,增壓缸卸壓; 4、DT1斷電,氣缸段總成復位,液壓油回位到儲油筒,此時一個動作循環完成。 |
|
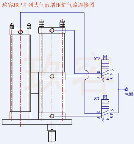
十、JRP并列式氣液增壓缸氣管電磁閥接法:
|
JRP并列式氣液增壓缸使用動作順序說明:
1、當電磁閥DT1通電,氣壓作用在儲油筒液壓油表面,氣缸段總行程開始向下作位移; 2、活塞桿位移遇到阻力,DT1保持,此時DT2通電,增壓段總成開始作位移; 3、根據加工工件保壓需要,DT2斷電,此時增壓段總成復位,增壓缸卸壓; 4、DT1斷電,氣缸段總成復位,液壓油回位到儲油筒,此時一個動作循環完成。 |
|
十一、JRT并列倒裝型氣液增壓缸氣管電磁閥接法:
|
JRT并列倒裝型氣液增壓缸使用動作順序說明:
1、當電磁閥DT1通電,氣壓作用在儲油筒液壓油表面,氣缸段總行程開始向下作位移; 2、活塞桿位移遇到阻力,DT1保持,此時DT2通電,增壓段總成開始作位移; 3、根據加工工件保壓需要,DT2斷電,此時增壓段總成復位,增壓缸卸壓; 4、DT1斷電,氣缸段總成復位,液壓油回位到儲油筒,此時一個動作循環完成。 |
注:其它特殊款式的氣液增壓缸氣管電磁閥接法,在這里就不一一舉例了,如有不清楚的可向玖容廠家尋求幫助。
以上就是關于氣液增壓缸氣管電磁閥接法及使用動作順序的相關說明,包括但不限于。如有更多疑問或相關需求,可點擊右側咨詢窗口免費咨詢。




